ATS 620WN 3P 2000A chuyển nguồn tự động On-On VITZRO VITZRO 620WN

Giá bán: 38,970,000 đ (Giá chưa VAT)
Giá thị trường: 86,600,000 đ 55%
Gọi để có giá tốt
Lợi ích mua hàng

✔️ Sản phẩm do Vật liệu điện VH phân phối trực tiếp

✔️ Có đầy đủ giấy tờ CO,CQ từ hãng

✔️ Hàng nhập khẩu nguyên chiếc, mới 100%

✔️ Giá luôn tốt nhất

✔️ Tư vấn chuyên nghiệp chuyên sâu

✔️ Giao hàng tận nơi trên toàn quốc

✔️ Bảo hành & sửa chữa tận tâm

  • CÔNG TY TNHH VẬT LIỆU ĐIỆN VH
    VH ELECTRICAL MATERIALS 
    Địa chỉ: Số 1 ngõ 42, Đường Đại Hưng, xã Ngọc Hồi, Thành phố Hà Nội
    Hotline: 093 265 0986
    Email: phukiendiencongnghiep18@gmail.com
    Website: www.vanvh.com 
     
Chi tiết

Cơ chế chuyển đổi ON-ON (Closed Transition)

Đây là tính năng cốt lõi và cao cấp, đảm bảo nguồn điện cấp cho tải luôn liên tục và không bị gián đoạn:

  1. Nguyên tắc: Chế độ ON-ON (hay còn gọi là Make-Before-Break) cho phép ATS chuyển đổi giữa nguồn chính và nguồn dự phòng mà không có thời gian ngắt tải (Zero Interruption).

    • Bộ điều khiển thông minh sẽ đồng bộ hóa (synchronize) pha, tần số và điện áp giữa hai nguồn.

    • Hai nguồn được kết nối song song với tải trong một khoảng thời gian cực ngắn (< 50 ms), được kiểm soát chặt chẽ.

    • Sau đó, nguồn cũ sẽ được ngắt.

  2. Lợi ích:

    • Không gián đoạn (Seamless Transfer): Loại bỏ hoàn toàn sự sụt áp (voltage sag) hoặc mất điện thoáng qua.

    • Bảo vệ Tải nhạy cảm: Cực kỳ quan trọng đối với các tải lớn, nhạy cảm như máy chủ, hệ thống tự động hóa công nghiệp.

Ứng dụng

Bộ ATS VITZRO TECH 3P 2000A ON-ON được sử dụng trong các hệ thống điện công suất lớn, nơi yêu cầu về chất lượng và tính liên tục của nguồn điện là tối quan trọng:

  • Tủ Phân phối Tổng (MSB): Chuyển đổi an toàn và không gián đoạn giữa lưới điện và máy phát điện dự phòng.

  • Trung tâm Dữ liệu (Data Centers): Đảm bảo hoạt động không bị ngắt quãng, bổ sung hoàn hảo cho hệ thống UPS.

  • Cơ sở Hạ tầng Quan trọng: Nhà máy sản xuất quy mô lớn, viễn thông, và các tòa nhà thương mại lớn.

 

Sản phẩm do Vật liệu điện VH nhập khẩu phân phối trực tiếp

✔️ Có đầy đủ hóa đơn , giấy tờ CO,CQ từ hãng

✔️ Hàng nhập khẩu nguyên chiếc, mới 100%

✔️ Giá luôn tốt nhất

✔️ Liên hệ báo giá : 093 265 0986

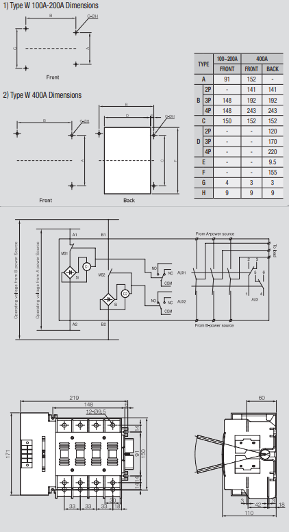
THÔNG SỐ KỸ THUẬT ATS 620WN 3P 2000A chuyển nguồn tự động On-On VITZRO VITZRO 620WN

Thông số kỹ thuật:

Dòng định mức: 2000A

Số cực: 3P ( 3 Pha )

Mã sản phẩm:  620WN 2000A 3P

Chu kỳ: ON-ON

Thời gian chuyển đổi: ≤ 20ms

Lắp được với nhiều loại, bộ điều khiển .

 Dòng ngắn mạch: 5Ka

Độ bền cơ học cơ/ điện: 10.000 lần/5.000 lần

 Điện áp hoạt động: 600VAC

 Tần số chuyển đổi: 60 lần/1h

Tiêu chuẩn: IEC 60947-6-1

Kích thước DxRxC: 636x380x256 (mm)

 Khối lượng: 85kg

Tiêu chuẩn: IEC 60947-6-1

0
0 Đánh giá
Bạn đánh giá sao sản phẩm này?
Đánh giá ngay

Sản phẩm đã xem