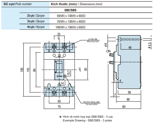
Chi tiết

Ứng dụng Chủ yếu:
MCCB 3P 15A SBS53c/15 22kA được sử dụng để bảo vệ các mạch điện 3 pha có công suất nhỏ nhưng nằm trong hệ thống có dòng ngắn mạch tiềm năng lớn:
Bảo vệ Động cơ Công suất Nhỏ/Mạch Điều khiển 3 Pha:
Thường được dùng để bảo vệ các động cơ 3 pha có công suất nhỏ hoặc các mạch điều khiển, mạch chiếu sáng 3 pha trong các tủ điện công nghiệp.
Mặc dù tải nhỏ, việc sử dụng MCCB 22kA đảm bảo khả năng cắt an toàn trong môi trường công nghiệp có dòng ngắn mạch lớn.
Bảo vệ Máy móc/Thiết bị 3 Pha Nhỏ:
Cấp nguồn và bảo vệ các thiết bị 3 pha riêng lẻ như quạt công nghiệp nhỏ, máy bơm 3 pha công suất thấp, hoặc các thiết bị thí nghiệm 3 pha.
Phân cấp Bảo vệ (Selective Coordination):
Dùng ở cấp nhánh trong hệ thống tủ điện lớn, nơi cần đảm bảo rằng chỉ aptomat gần nhất với sự cố bị ngắt, nhờ vào khả năng cắt cao của nó.
Sản phẩm do Vật liệu điện VH nhập khẩu phân phối trực tiếp
✔️ Có đầy đủ hóa đơn , giấy tờ CO,CQ từ hãng
✔️ Hàng nhập khẩu nguyên chiếc, mới 100%
✔️ Giá luôn tốt nhất
✔️ Liên hệ báo giá : 093 265 0986